আমাদের অনুসরণ করো:

পণ্য
20A কম্বিনেশন রোটারি ক্যাম সুইচ 4kw
  • 20A কম্বিনেশন রোটারি ক্যাম সুইচ 4kw20A কম্বিনেশন রোটারি ক্যাম সুইচ 4kw

20A কম্বিনেশন রোটারি ক্যাম সুইচ 4kw

ইয়ামিং, 30 বছরের বেশি শিল্প অভিজ্ঞতা সহ, 20A কম্বিনেশন রোটারি ক্যাম সুইচ 4kW চালু করেছে, যা বিভিন্ন সার্কিটের জন্য স্থিতিশীল, দক্ষ এবং কাস্টমাইজযোগ্য নিয়ন্ত্রণ সমাধান প্রদান করে। চীনে নিযুক্ত একজন পেশাদার প্রস্তুতকারক হিসাবে, আমরা বিশ্বব্যাপী শিল্প গ্রাহকদের নির্ভরযোগ্য সুইচ পণ্য সরবরাহ করতে, বিশ্বস্ত সরবরাহকারী হয়ে উঠতে আমাদের উন্নত উত্পাদন সুবিধা থেকে শুরু করে আমাদের শক্তিশালী প্রযুক্তিগত ক্ষমতা এবং কঠোর গুণমান ব্যবস্থাপনা সিস্টেমের উপর নির্ভর করি।

ঝেজিয়াং ইয়ামিং ইলেক্ট্রিকের বৈদ্যুতিক শিল্পে 30 বছরেরও বেশি পেশাদার অভিজ্ঞতা রয়েছে। এর শক্তিশালী প্রযুক্তিগত ক্ষমতা এবং কঠোর মান ব্যবস্থাপনা সিস্টেমের সাথে, এটি বৈদ্যুতিক সুইচগুলির একটি নির্ভরযোগ্য এবং নেতৃস্থানীয় সরবরাহকারী হয়ে উঠেছে। আমাদের দৃঢ় কর্পোরেট ফাউন্ডেশন স্থিতিশীল পণ্য কর্মক্ষমতা এবং নির্ভরযোগ্য সরবরাহ গ্যারান্টি সহ বিশ্বব্যাপী অংশীদারদের প্রদান করে।


অত্যাধুনিক উত্পাদন প্রক্রিয়া এবং উন্নত প্রযুক্তিকে একীভূত করে, ইয়ামিং গর্বের সাথে 20A কম্বিনেশন রোটারি ক্যাম সুইচ 4kW চালু করেছে। এই সতর্কতার সাথে ডিজাইন করা পণ্যটি স্থায়িত্ব এবং অপারেশনাল নমনীয়তাকে একত্রিত করে, বিভিন্ন সার্কিট অ্যাপ্লিকেশনের জন্য স্থিতিশীল, দক্ষ এবং কাস্টমাইজড নিয়ন্ত্রণ সমাধান প্রদান করে।


প্রযুক্তিগত বিশেষ উল্লেখ


20A কম্বিনেশন রোটারি ক্যাম সুইচ 4kW সংমিশ্রণ সুইচের HZ5 সিরিজের অন্তর্গত। এর প্রধান প্রযুক্তিগত বৈশিষ্ট্য নিম্নরূপ: প্রযোজ্য সার্কিট হল AC 50Hz; রেট করা অপারেটিং ভোল্টেজ: AC সর্বোচ্চ 380V, DC সর্বোচ্চ 240V; রেট করা বর্তমান: সর্বোচ্চ 63A; রেট করা শক্তি: 4kW; এই মডেলের জন্য রেট করা বর্তমান 20A।


প্রধান অ্যাপ্লিকেশন


20A কম্বিনেশন রোটারি ক্যাম সুইচ 4kW ম্যানুয়াল, বিরল সার্কিট সুইচিং এবং নিয়ন্ত্রণের জন্য উপযুক্ত। সাধারণ অ্যাপ্লিকেশনগুলির মধ্যে রয়েছে ছোট-ক্ষমতার এসি মোটরগুলির সরাসরি নিয়ন্ত্রণ, একটি প্রধান নিয়ন্ত্রণ এবং সার্কিট পরিমাপ যন্ত্র হিসাবে ব্যবহার, মোটরের গতি নিয়ন্ত্রণ, এবং বিভিন্ন বৈদ্যুতিক সরঞ্জামগুলিতে সাধারণ সার্কিট স্যুইচিং এবং রূপান্তর।


পণ্য বৈশিষ্ট্য


20A কম্বিনেশন রোটারি ক্যাম সুইচ 4kW স্থিতিশীল কর্মক্ষমতা এবং বিভিন্ন শিল্প ও বাণিজ্যিক পরিস্থিতির জন্য উপযুক্ত অ্যাপ্লিকেশনের বিস্তৃত পরিসর অফার করে। এটি বিশ্বব্যাপী স্বীকৃত ভোল্টেজ এবং বর্তমান মানগুলির সাথে সামঞ্জস্যপূর্ণ, বিশ্বব্যাপী ব্যবহারের সুবিধা প্রদান করে। এটি ম্যানুয়াল, বিরল সার্কিট সংযোগ এবং সংযোগ বিচ্ছিন্ন সমর্থন করে, যা ছোট-ক্ষমতার এসি মোটর এবং বহু-কার্যকরী নিয়ন্ত্রণের সরাসরি নিয়ন্ত্রণের অনুমতি দেয়। কাস্টমাইজেশন পরিষেবাগুলিও উপলব্ধ, সুইচের পরিসীমা এবং মেরু নম্বর সম্পূর্ণরূপে নির্দিষ্ট গ্রাহকের চাহিদা মেটাতে কাস্টমাইজ করা হয়েছে৷


পণ্যের আবেদন



প্রযুক্তিগত পরামিতি



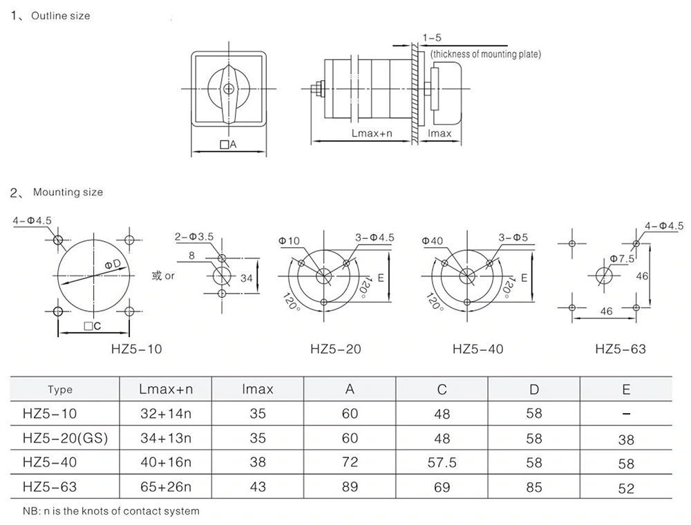
পণ্য রূপরেখা আকার ইনস্টলেশন আকার


হট ট্যাগ: 20A কম্বিনেশন রোটারি ক্যাম সুইচ 4kw চীন, প্রস্তুতকারক, সরবরাহকারী, কারখানা
অনুসন্ধান পাঠান
যোগাযোগের তথ্য
  • ঠিকানা

    নং 8 ইয়ামিং রোড, জিয়াংইয়াং ইন্ডাস্ট্রিয়াল জোন, ইউকিং সিটি, ঝেজিয়াং প্রদেশ, চীন

  • টেলিফোন

    +86-13968778552

  • ই-মেইল

    petzane@cnym.cn

উদ্ধৃতি বা সহযোগিতার বিষয়ে আপনার যদি কোনো জিজ্ঞাসা থাকে, অনুগ্রহ করে ইমেল করুন বা নিম্নলিখিত অনুসন্ধান ফর্মটি ব্যবহার করুন। আমাদের বিক্রয় প্রতিনিধি 24 ঘন্টার মধ্যে আপনার সাথে যোগাযোগ করবে।
X
আমরা আপনাকে একটি ভাল ব্রাউজিং অভিজ্ঞতা দিতে, সাইটের ট্র্যাফিক বিশ্লেষণ করতে এবং সামগ্রী ব্যক্তিগতকৃত করতে কুকিজ ব্যবহার করি। এই সাইটটি ব্যবহার করে, আপনি আমাদের কুকিজ ব্যবহারে সম্মত হন। গোপনীয়তা নীতি
প্রত্যাখ্যান করুন গ্রহণ করুন